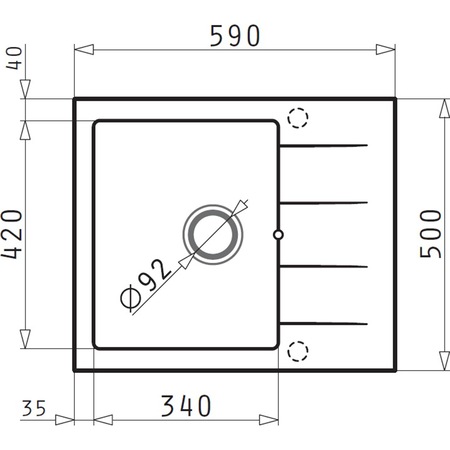
Chiuvetele de bucatarie marca Pyramis sunt foarte apreciate de consumatori pentru ca au o calitate buna, un design elegant si preturi bune raportat la calitatea lor. Un model aparte al acestei firme de renume este si chiuveta Pyramis Pyragranite ATHLOS. Acest model are un aspect solid, natural, imbinandu-se, perfect cu un blat din granit sau din lemn, intr-o bucatarie cu aspect rustic. Acest model de chiuveta de culoare bej, facut din compozit, devine din ce în ce mai căutate de cei care aleg o variantă mai sofisticata pentru chiuveta de bucătărie. Materialul compozit din care este facuta chiuveta pyragranite, nou aparut pe piata si la mare cautare, folosește un amestec de marmura 70%, rasini poliesterice 22,5%, cuart sub forma de praf 5% si pigmenti 2,5%. Acest material nou cu grosimea de 8 – 10 mm, poate ingloba o mare varietate de culorii si forme, care se pot asorta cu gusturile si nevoile noastre de design; Corpul chiuvetei este foarte rezistent la atacurile chimice ale preparatelor folosite în bucătărie; Acest model iși mențin mult timp aspectul inițial; acest model este foarte rezistent la impactul cu un obiect de 2 kg scapat de la o inaltime de 20cm, ciobiri si zgarieturi cauzate de tacamuri, cutite sau vase scapate in chiuveta; Este foarte rezistent la schimbari bruste de temperatura si la temperaturi ridicate (pana la 180°C), astfel ca se pot pune fara probleme oale sau tigai luate direct de pe aragaz; Suprafata chiuvetei nu este afectata de depunerile de calcar, ce pot fi o adevarata bataie de cap in special in zonele cu apa dura; Rezistenta la pete de cafea, vin rosu, ulei, suc de lamaie. Acest model de chiuveta dreptunghiular, are dimensiunile de 590 x 500 mm si cuva cu dimensiunile de 340 x 420 mm si adancimea de 185 mm, cu varianta de montare pe blat reversibila.
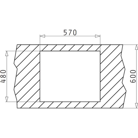
Blatul de bucatarie are gol de montaj chiuveta cu urmatoarele dimensiuni de 480 x 570 mm si latimea blatului sa nu fie mai mica de 600 mm.
Analizand caracteristicile cu care este prevazuta aceasta chiuveta oferta este atractiva. Accesoriile chiuvetei Pyramis Pyragranite ATHLOS sunt urmatoare: Ventil 3 ½ inch cu prea plin in cuva, ce este un mecanism de siguranta in bucataria noastra. Mastic cu cleme de fixare pentru chiuveta. Gaura pentru montaj in chiuveta a bateriei, are un diametru de 35 mm.
Recomandare:
Este alegerea perfecta daca iti doresti o chiuveta performanta care sa faca fata nevoilor si cerintelor noastre la un pret foarte bun: Verifica oferte pret
Primesti garantie 2 ani iar transportul este gratuit pana la tine acasa daca o comanzi de aici
Deasemenea daca ai noroc, zilele acestea o poti achizitiona la reducere, avand un discount semnificativ: Verifica pret redus
